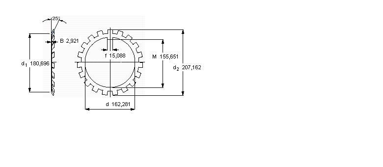
簡介: SKF軸承W032 類型為W鎖緊墊圈, 英制尺寸, 內徑為:162.281mm外徑為:207.162mm厚度為:2.921mm 軸承內圈,外圈更多詳細資料您可致電我司,獲取SKF W032軸承 代號,W032基本尺寸,安裝尺寸,基本額定載荷,精度等級,裝配, 軸承的圖紙、樣品、價格或者替換產品等!咨詢電話:0512-62658883
W鎖緊墊圈, 英制尺寸W032軸承 樣本圖紙
| W鎖緊墊圈, 英制尺寸 | ||||||
|   | ||||||
| 尺寸 | 體積 | 型號 | ||||
| 鎖緊墊圈 | 適宜的鎖定螺母 | |||||
| d | d2 | B | ||||
|   | ||||||
| mm | kg | - | ||||
|   | ||||||
| 162,281 | 207,162 | 2,921 | 0,2 | W 032 | N 032 | |
同類型型號
隨機推薦型號