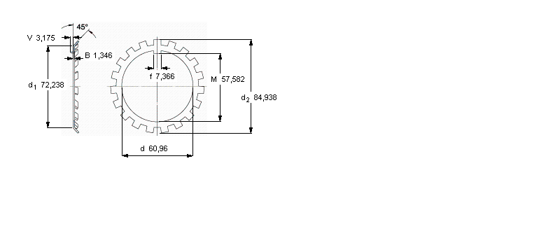
簡介: SKF軸承W12 類型為W鎖緊墊圈, 英制尺寸, 內徑為:60.96mm外徑為:84.938mm厚度為:1.346mm 軸承內圈,外圈更多詳細資料您可致電我司,獲取SKF W12軸承 代號,W12基本尺寸,安裝尺寸,基本額定載荷,精度等級,裝配, 軸承的圖紙、樣品、價格或者替換產品等!咨詢電話:0512-62658883
W鎖緊墊圈, 英制尺寸W12軸承 樣本圖紙
| W鎖緊墊圈, 英制尺寸 | ||||||
|   | ||||||
| 尺寸 | 體積 | 型號 | ||||
| 鎖緊墊圈 | 適宜的鎖定螺母 | |||||
| d | d2 | B | ||||
|   | ||||||
| mm | kg | - | ||||
|   | ||||||
| 60,96 | 84,938 | 1,346 | 0,025 | W 12 | N 12 | |
同類型型號
隨機推薦型號