簡介: SKF軸承W24 類型為W鎖緊墊圈, 英制尺寸, 內徑為:121.945mm外徑為:164.313mm厚度為:2.921mm 軸承內圈,外圈更多詳細資料您可致電我司,獲取SKF W24軸承 配合安裝尺寸,基本尺寸,滾子粒數,W24價格,外形尺寸,錐度, 軸承的圖紙、樣品、價格或者替換產品等!咨詢電話:0512-62658883
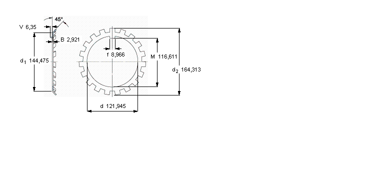
W鎖緊墊圈, 英制尺寸W24軸承 樣本圖紙
| W鎖緊墊圈, 英制尺寸 | ||||||
|   | ||||||
| 尺寸 | 體積 | 型號 | ||||
| 鎖緊墊圈 | 適宜的鎖定螺母 | |||||
| d | d2 | B | ||||
|   | ||||||
| mm | kg | - | ||||
|   | ||||||
| 121,945 | 164,313 | 2,921 | 0,17 | W 24 | AN 24 | |
同類型型號
隨機推薦型號