簡介: SKF軸承FBSA206/DF 類型為角接觸推力球軸承 for screw drives, cartridge units with flanged housing, 內徑為:30mm外徑為:80mm厚度為:52mm 軸承內圈,外圈更多詳細資料您可致電我司,獲取SKF FBSA206/DF軸承 游隙尺寸,游隙尺寸表,滾子粒數,FBSA206/DF報價,價格,外形尺寸,錐度, 軸承的圖紙、樣品、價格或者替換產品等!咨詢電話:0512-62658883
角接觸推力球軸承 for screw drives, cartridge units with flanged housingFBSA206/DF軸承 樣本圖紙
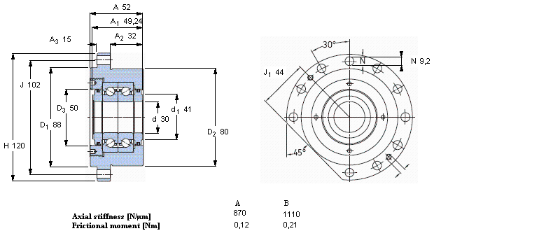
| 角接觸推力球軸承 for screw drives, cartridge units with flanged housing | |||||||||||
| 公差, inner rings, outer rings, see also text | |||||||||||
| Preload, see specific bearing, see also text | |||||||||||
| Shaft fits, housing fits | |||||||||||
| 軸和軸承座公差 | |||||||||||
|   | |||||||||||
| 主要數據尺寸 | 基本負荷額定值 | 疲勞負荷限值 | 可達到的速度 | 體積 | 型號 | ||||||
| 動態 | 靜態 | 預壓 | SKF | SNFA | |||||||
| A | B | ||||||||||
| d | D2 | A | C | C0 | Pu | ||||||
|   | |||||||||||
| mm | kN | kN | r/min | kg | - | ||||||
|   | |||||||||||
| 30 | 80 | 52 | 28,5 | 71 | 2,65 | 6400 | 3200 | 2,5 | FBSA 206/ DF | BSDU 230 FF | |
同類型型號
隨機推薦型號