簡介: SKF軸承BEAM040115-2Z 類型為角接觸推力球軸承 for screw drives, double direction, for bolt mounting, 內徑為:40mm外徑為:115mm厚度為:46mm 軸承內圈,外圈更多詳細資料您可致電我司,獲取SKF BEAM040115-2Z軸承 游隙尺寸,游隙尺寸表,滾子粒數,BEAM040115-2Z報價,價格,外形尺寸,錐度, 軸承的圖紙、樣品、價格或者替換產品等!咨詢電話:0512-62658883
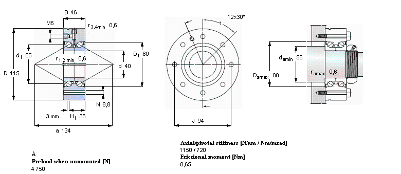
角接觸推力球軸承 for screw drives, double direction, for bolt mountingBEAM040115-2Z軸承 樣本圖紙
| 角接觸推力球軸承 for screw drives, double direction, for bolt mounting | ||||||||||
| 公差, inner rings, outer rings, see also text | ||||||||||
| Preload, see specific bearing, see also text | ||||||||||
| Shaft fits, housing fits | ||||||||||
| 軸和軸承座公差 | ||||||||||
|   | ||||||||||
| 主要數據尺寸 | 基本負荷額定值 | 疲勞負荷限值 | Attainable speed | 體積 | 型號 | |||||
| 動態 | 靜態 | SKF | SNFA | |||||||
| d | D | H | C | C0 | Pu | |||||
|   | ||||||||||
| mm | kN | kN | r/min | kg | - | |||||
|   | ||||||||||
| 40 | 115 | 46 | 71,5 | 150 | 5,5 | 3000 | 2,20 | BEAM 040115-2Z | BEAM 40/115/Z 7P60 | |
同類型型號
隨機推薦型號