簡介: SKF軸承BEAM050140-2RS 類型為角接觸推力球軸承 for screw drives, double direction, for bolt mounting, 內徑為:50mm外徑為:140mm厚度為:54mm 軸承內圈,外圈更多詳細資料您可致電我司,獲取SKF BEAM050140-2RS軸承 配合安裝尺寸,安裝尺寸,重量,額定動負荷,載荷,BEAM050140-2RS極限轉速,游隙, 軸承的圖紙、樣品、價格或者替換產品等!咨詢電話:0512-62658883
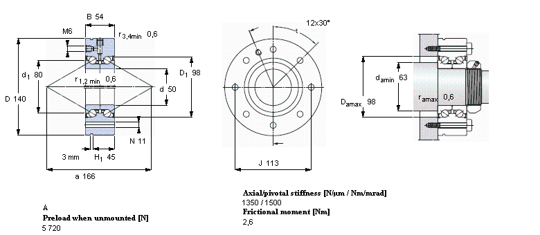
角接觸推力球軸承 for screw drives, double direction, for bolt mountingBEAM050140-2RS軸承 樣本圖紙
| 角接觸推力球軸承 for screw drives, double direction, for bolt mounting | ||||||||||
| 公差, inner rings, outer rings, see also text | ||||||||||
| Preload, see specific bearing, see also text | ||||||||||
| Shaft fits, housing fits | ||||||||||
| 軸和軸承座公差 | ||||||||||
|   | ||||||||||
| 主要數據尺寸 | 基本負荷額定值 | 疲勞負荷限值 | Attainable speed | 體積 | 型號 | |||||
| 動態 | 靜態 | SKF | SNFA | |||||||
| d | D | H | C | C0 | Pu | |||||
|   | ||||||||||
| mm | kN | kN | r/min | kg | - | |||||
|   | ||||||||||
| 50 | 140 | 54 | 112 | 250 | 9,3 | 1700 | 4,70 | BEAM 050140-2RS | BEAM 50/140/C 7P60 | |
同類型型號
隨機推薦型號