簡介: SKF軸承FBSA205/QBC 類型為角接觸推力球軸承 for screw drives, cartridge units with flanged housing, 內徑為:25mm外徑為:80mm厚度為:82mm 軸承內圈,外圈更多詳細資料您可致電我司,獲取SKF FBSA205/QBC軸承 代號,FBSA205/QBC基本尺寸,安裝尺寸,基本額定載荷,精度等級,裝配, 軸承的圖紙、樣品、價格或者替換產品等!咨詢電話:0512-62658883
角接觸推力球軸承 for screw drives, cartridge units with flanged housingFBSA205/QBC軸承 樣本圖紙
| 角接觸推力球軸承 for screw drives, cartridge units with flanged housing | |||||||||||
| 公差, inner rings, outer rings, see also text | |||||||||||
| Preload, see specific bearing, see also text | |||||||||||
| Shaft fits, housing fits | |||||||||||
| 軸和軸承座公差 | |||||||||||
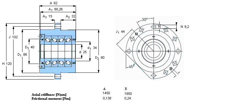
|   | |||||||||||
| 主要數據尺寸 | 基本負荷額定值 | 疲勞負荷限值 | 可達到的速度 | 體積 | 型號 | ||||||
| 動態 | 靜態 | 預壓 | SKF | SNFA | |||||||
| A | B | ||||||||||
| d | D2 | A | C | C0 | Pu | ||||||
|   | |||||||||||
| mm | kN | kN | r/min | kg | - | ||||||
|   | |||||||||||
| 25 | 80 | 82 | 36,512 | 104 | 3,86 | 4500 | 2250 | 3,5 | FBSA 205/ QBC | BSQU 225 TDT | |
同類型型號
隨機推薦型號