簡介: SKF軸承SI45ES-2RS 類型為需要維護的桿端, 鋼對鋼,陰螺紋, 兩面密封件, 軸承內圈,外圈更多詳細資料您可致電我司,獲取SKF SI45ES-2RS軸承 配合安裝尺寸,安裝尺寸,重量,額定動負荷,載荷,SI45ES-2RS極限轉速,游隙, 軸承的圖紙、樣品、價格或者替換產品等!咨詢電話:0512-62658883
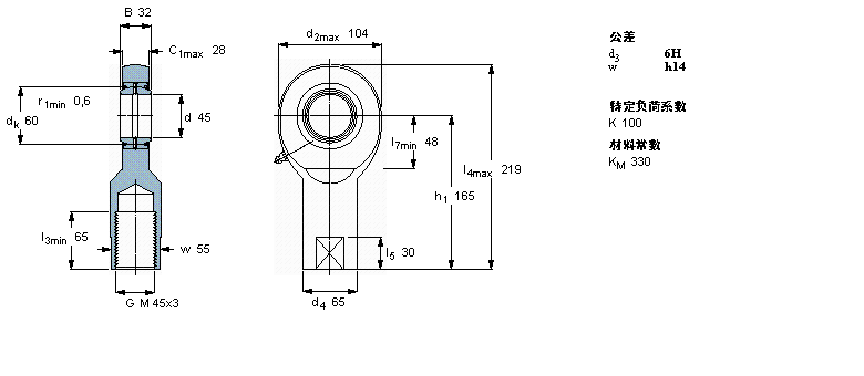
需要維護的桿端, 鋼對鋼,陰螺紋, 兩面密封件SI45ES-2RS軸承 樣本圖紙
| 需要維護的桿端, 鋼對鋼,陰螺紋, 兩面密封件 | |||||||||||
| 公差 , 參見文字 | |||||||||||
| 徑向內部游隙 , 參見文字 | |||||||||||
|   | |||||||||||
| 主要數據尺寸 | 角度傾的 | 基本負荷額定值 | 質量 | 型號 | |||||||
| 動態 | 靜態 | 桿端帶右或左旋螺紋 | |||||||||
| d | d2 | B | d3 | C1 | h1 | ± | C | C0 | |||
| 6H | |||||||||||
|   | |||||||||||
| mm | 度數 | kN | kg | - | |||||||
|   | |||||||||||
| 45 | 104 | 32 | M 45x3 | 28 | 165 | 7 | 127 | 224 | 3,20 | SI 45 ES-2RS | |
同類型型號
隨機推薦型號