簡介: SKF軸承SI30ES 類型為需要維護的桿端, 鋼對鋼,陰螺紋, 軸承內圈,外圈更多詳細資料您可致電我司,獲取SKF SI30ES軸承 配合安裝尺寸,安裝尺寸,重量,額定動負荷,載荷,SI30ES極限轉速,游隙, 軸承的圖紙、樣品、價格或者替換產品等!咨詢電話:0512-62658883
需要維護的桿端, 鋼對鋼,陰螺紋SI30ES軸承 樣本圖紙
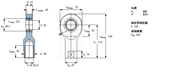
| 需要維護的桿端, 鋼對鋼,陰螺紋 | |||||||||||
| 公差 , 參見文字 | |||||||||||
| 徑向內部游隙 , 參見文字 | |||||||||||
|   | |||||||||||
| 主要數據尺寸 | 角度傾的 | 基本負荷額定值 | 質量 | 型號 | |||||||
| 動態 | 靜態 | 桿端帶右或左旋螺紋 | |||||||||
| d | d2 | B | d3 | C1 | h1 | ± | C | C0 | |||
| 6H | |||||||||||
|   | |||||||||||
| mm | 度數 | kN | kg | - | |||||||
|   | |||||||||||
| 30 | 75 | 22 | M 30x2 | 20 | 110 | 6 | 62 | 116 | 1,00 | SI 30 ES | |
同類型型號
隨機推薦型號