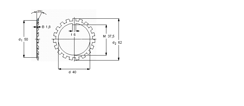
簡介: SKF軸承MB8A 類型為MB(L)鎖定墊圈, 內徑為:40mm外徑為:62mm厚度為:1.8mm 軸承內圈,外圈更多詳細資料您可致電我司,獲取SKF MB8A軸承 配合安裝尺寸,安裝尺寸,重量,額定動負荷,載荷,MB8A極限轉速,游隙, 軸承的圖紙、樣品、價格或者替換產品等!咨詢電話:0512-62658883
MB(L)鎖定墊圈MB8A軸承 樣本圖紙
| MB(L)鎖定墊圈 | ||||||
|   | ||||||
| 尺寸 | 體積 | 型號 | ||||
| 鎖緊墊圈 | 適宜的鎖定螺母 | |||||
| d | d2 | B | ||||
|   | ||||||
| mm | kg | - | ||||
|   | ||||||
| 40 | 62 | 1,8 | 0,018 | MB 8 A | KM 8 | |
同類型型號
隨機推薦型號