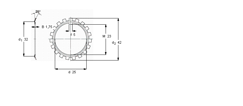
簡介: SKF軸承MB5C 類型為MB(L)鎖定墊圈, 內徑為:25mm外徑為:42mm厚度為:1.75mm 軸承內圈,外圈更多詳細資料您可致電我司,獲取SKF MB5C軸承 代號,MB5C基本尺寸,安裝尺寸,基本額定載荷,精度等級,裝配, 軸承的圖紙、樣品、價格或者替換產品等!咨詢電話:0512-62658883
MB(L)鎖定墊圈MB5C軸承 樣本圖紙
| MB(L)鎖定墊圈 | ||||||
|   | ||||||
| 尺寸 | 體積 | 型號 | ||||
| 鎖緊墊圈 | 適宜的鎖定螺母 | |||||
| d | d2 | B | ||||
|   | ||||||
| mm | kg | - | ||||
|   | ||||||
| 25 | 42 | 1,75 | 0,006 | MB 5 C | KM 5 | |
同類型型號
隨機推薦型號