簡介: SKF軸承54416M 類型為推力球軸承, 雙向,帶球面軸承座墊圈, 軸承內圈,外圈更多詳細資料您可致電我司,獲取SKF 54416M軸承 配合安裝尺寸,安裝尺寸,重量,額定動負荷,載荷,54416M極限轉速,游隙, 軸承的圖紙、樣品、價格或者替換產品等!咨詢電話:0512-62658883
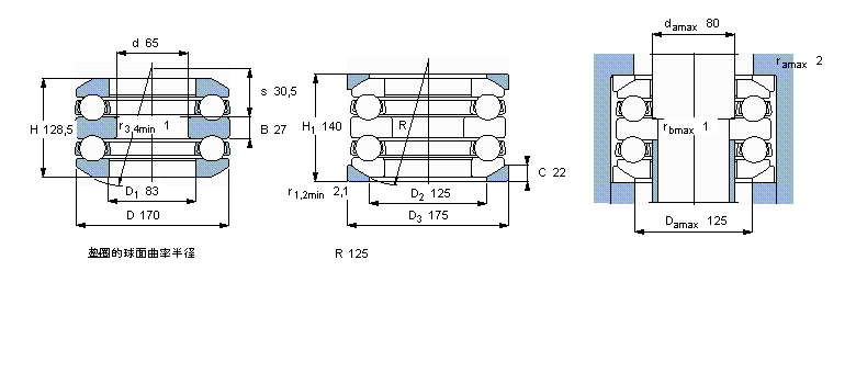
推力球軸承, 雙向,帶球面軸承座墊圈54416M軸承 樣本圖紙
| 推力球軸承, 雙向,帶球面軸承座墊圈 | ||||||||||||
| 公差 , 參見文字 | ||||||||||||
| 推薦配合 | ||||||||||||
| 軸和軸承座公差 | ||||||||||||
|   | ||||||||||||
| 主要數據尺寸 | 基本負荷額定值 | 疲勞負荷限值 | 最小負荷系數 | 額定速度 | 體積 | 型號 | ||||||
| 動態(tài) | 靜態(tài) | 參照速度 | 限制速度 | 軸承 +墊圈 | 軸承 | 基座墊圈 | ||||||
| d | D | H1 | C | C0 | Pu | A | ||||||
|   | ||||||||||||
| mm | kN | kN | - | r/min | kg | - | ||||||
|   | ||||||||||||
| 65 | 170 | 140 | 270 | 670 | 22,4 | 2,3 | 1200 | 1700 | 1,40 | 54416 M | U416 | |
同類型型號
隨機推薦型號