簡介: SKF軸承52226 類型為推力球軸承, 雙向, 內徑為:110mm外徑為:190mm厚度為:80mm 軸承內圈,外圈更多詳細資料您可致電我司,獲取SKF 52226軸承 游隙尺寸,游隙尺寸表,滾子粒數,52226報價,價格,外形尺寸,錐度, 軸承的圖紙、樣品、價格或者替換產品等!咨詢電話:0512-62658883
推力球軸承, 雙向52226軸承 樣本圖紙
| 推力球軸承, 雙向 | |||||||||||
| 公差 , 參見文字 | |||||||||||
| 推薦配合 | |||||||||||
| 軸和軸承座公差 | |||||||||||
|   | |||||||||||
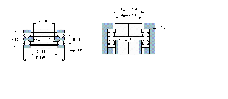
| 主要數據尺寸 | 基本負荷額定值 | 疲勞負荷限值 | 最小負荷系數 | 額定速度 | 體積 | 型號 | |||||
| 動態 | 靜態 | 參照速度 | 限制速度 | ||||||||
| d | D | H | C | C0 | Pu | A | |||||
|   | |||||||||||
| mm | kN | kN | - | r/min | kg | ||||||
|   | |||||||||||
| 110 | 190 | 80 | 186 | 585 | 17 | 1,8 | 1400 | 2000 | 8,00 | 52226 | |
同類型型號
隨機推薦型號