簡介: SKF軸承22217EK+H317 類型為球面滾子軸承, 帶緊定套的, 內徑為:75mm外徑為:150mm厚度為:36mm 軸承內圈,外圈更多詳細資料您可致電我司,獲取SKF 22217EK+H317軸承 代號,22217EK+H317基本尺寸,安裝尺寸,基本額定載荷,精度等級,裝配, 軸承的圖紙、樣品、價格或者替換產品等!咨詢電話:0512-62658883
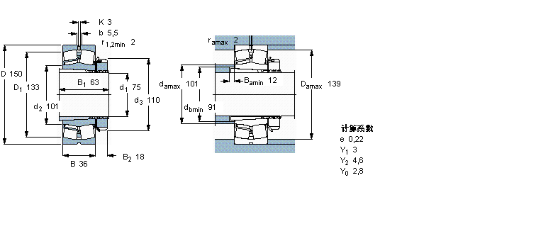
球面滾子軸承, 帶緊定套的22217EK+H317軸承 樣本圖紙
| 球面滾子軸承, 帶緊定套的 | ||||||||||
| 公差 , 參見文字 | ||||||||||
| 徑向內部游隙 , 參見文字 | ||||||||||
| 推薦配合 | ||||||||||
| 軸和軸承座公差 | ||||||||||
|   | ||||||||||
| 主要數據尺寸 | 基本負荷額定值 | 疲勞負荷限值 | 額定速度 | 體積 | 型號 | |||||
| 動態 | 靜態 | 參照速度 | 限制速度 | 軸承 + 緊定套 | ||||||
| d1 | D | B | C | C0 | Pu | |||||
| * - SKF Explorer 軸承 | ||||||||||
|   | ||||||||||
| mm | kN | kN | r/min | kg | - | |||||
|   | ||||||||||
| 75 | 150 | 36 | 285 | 325 | 34,5 | 4000 | 5600 | 3,70 | 22217 EK + H 317 * | |
同類型型號
隨機推薦型號