簡介: SKF軸承21317EK+H317 類型為球面滾子軸承, 帶緊定套的, 內徑為:75mm外徑為:180mm厚度為:41mm 軸承內圈,外圈更多詳細資料您可致電我司,獲取SKF 21317EK+H317軸承 配合安裝尺寸,基本尺寸,滾子粒數,21317EK+H317價格,外形尺寸,錐度, 軸承的圖紙、樣品、價格或者替換產品等!咨詢電話:0512-62658883
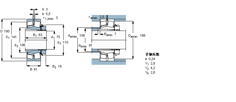
球面滾子軸承, 帶緊定套的21317EK+H317軸承 樣本圖紙
| 球面滾子軸承, 帶緊定套的 | ||||||||||
| 公差 , 參見文字 | ||||||||||
| 徑向內部游隙 , 參見文字 | ||||||||||
| 推薦配合 | ||||||||||
| 軸和軸承座公差 | ||||||||||
|   | ||||||||||
| 主要數據尺寸 | 基本負荷額定值 | 疲勞負荷限值 | 額定速度 | 體積 | 型號 | |||||
| 動態 | 靜態 | 參照速度 | 限制速度 | 軸承 + 緊定套 | ||||||
| d1 | D | B | C | C0 | Pu | |||||
| * - SKF Explorer 軸承 | ||||||||||
|   | ||||||||||
| mm | kN | kN | r/min | kg | - | |||||
|   | ||||||||||
| 75 | 180 | 41 | 325 | 375 | 39 | 3800 | 5300 | 6,20 | 21317 EK + H 317 * | |
同類型型號
隨機推薦型號