簡介: SKF軸承WEEYB003-2ZR 類型為深溝球軸承, 單列,不銹鋼,帶法蘭, 兩面防塵罩, 內徑為:4.762mm外徑為:12.7mm厚度為:14.351mm 軸承內圈,外圈更多詳細資料您可致電我司,獲取SKF WEEYB003-2ZR軸承 配合安裝尺寸,安裝尺寸,重量,額定動負荷,載荷,WEEYB003-2ZR極限轉速,游隙, 軸承的圖紙、樣品、價格或者替換產品等!咨詢電話:0512-62658883
深溝球軸承, 單列,不銹鋼,帶法蘭, 兩面防塵罩WEEYB003-2ZR軸承 樣本圖紙
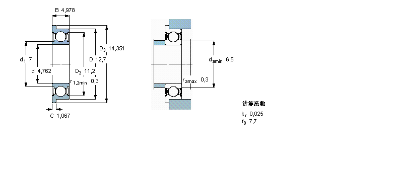
| 深溝球軸承, 單列,不銹鋼,帶法蘭, 兩面防塵罩 | ||||||||||||
| 公差 , 參見文字 | ||||||||||||
| 徑向內部游隙 , 參見文字 | ||||||||||||
| 推薦配合 | ||||||||||||
| 軸和軸承座公差 | ||||||||||||
|   | ||||||||||||
| 主要數據尺寸 | 基本負荷額定值 | 疲勞負荷限值 | 額定速度 | 體積 | 型號 | |||||||
| 動態 | 靜態 | 參照速度 | 限制速度 | |||||||||
| d | D | D3 | B | C | C | C0 | Pu | |||||
|   | ||||||||||||
| mm | kN | kN | r/min | kg | - | |||||||
|   | ||||||||||||
| 4,762 | 12,7 | 14,351 | 4,978 | 1,067 | 0,793 | 0,28 | 0,012 | 110000 | 53000 | 0,0035 | WEEYB 003-2ZR | |
同類型型號
隨機推薦型號