簡介: SKF軸承W6303-2RS1 類型為深溝球軸承, 單列,不銹鋼, 兩面密封件, 內徑為:17mm外徑為:47mm厚度為:14mm 軸承內圈,外圈更多詳細資料您可致電我司,獲取SKF W6303-2RS1軸承 配合安裝尺寸,安裝尺寸,重量,額定動負荷,載荷,W6303-2RS1極限轉速,游隙, 軸承的圖紙、樣品、價格或者替換產品等!咨詢電話:0512-62658883
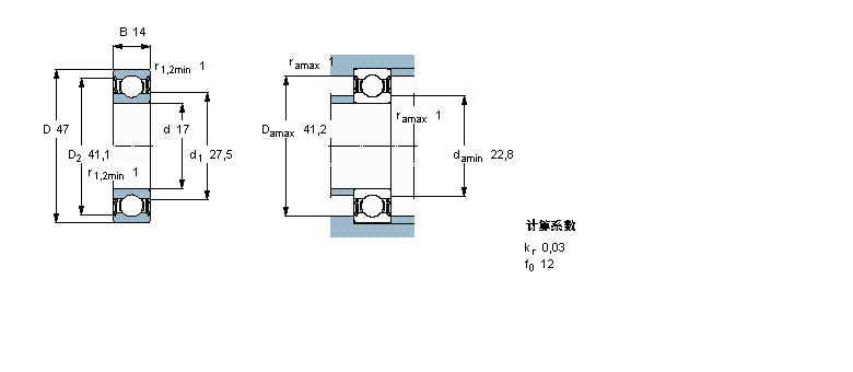
深溝球軸承, 單列,不銹鋼, 兩面密封件W6303-2RS1軸承 樣本圖紙
| 深溝球軸承, 單列,不銹鋼, 兩面密封件 | ||||||||||
| 公差 , 參見文字 | ||||||||||
| 徑向內部游隙 , 參見文字 | ||||||||||
| 推薦配合 | ||||||||||
| 軸和軸承座公差 | ||||||||||
|   | ||||||||||
| 主要數據尺寸 | 基本負荷額定值 | 疲勞負荷限值 | 額定速度 | 體積 | 型號 | |||||
| 動態 | 靜態 | 參照速度 | 限制速度 | |||||||
| d | D | B | C | C0 | Pu | |||||
|   | ||||||||||
| mm | kN | kN | r/min | kg | - | |||||
|   | ||||||||||
| 17 | 47 | 14 | 11,4 | 6,3 | 0,275 | - | 11000 | 0,12 | W 6303-2RS1 | |
同類型型號
隨機推薦型號