簡介: SKF軸承SILKAC12M 類型為需要維護的桿端, 鋼對青銅,陰螺紋, 內徑為:12mm外徑為:33mm厚度為:16mm 軸承內圈,外圈更多詳細資料您可致電我司,獲取SKF SILKAC12M軸承 配合安裝尺寸,安裝尺寸,重量,額定動負荷,載荷,SILKAC12M極限轉速,游隙, 軸承的圖紙、樣品、價格或者替換產品等!咨詢電話:0512-62658883
需要維護的桿端, 鋼對青銅,陰螺紋SILKAC12M軸承 樣本圖紙
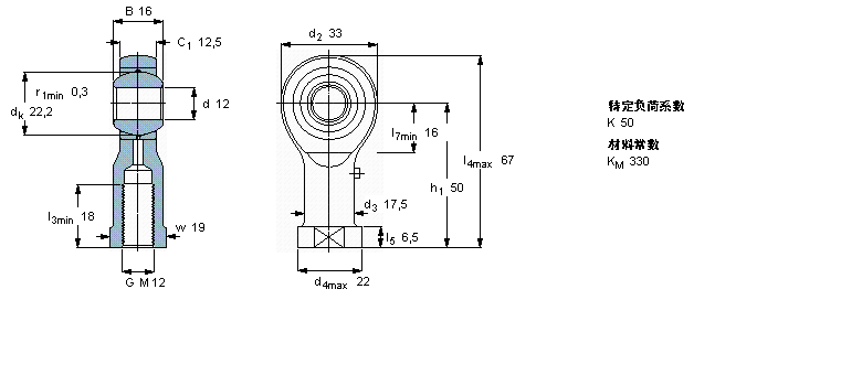
| 需要維護的桿端, 鋼對青銅,陰螺紋 | |||||||||||
| 公差 , 參見文字 | |||||||||||
| 徑向內部游隙 , 參見文字 | |||||||||||
|   | |||||||||||
| 主要數據尺寸 | 角度傾的 | 基本負荷額定值 | 質量 | 型號 | |||||||
| 動態 | 靜態 | 軸承座完全與 | |||||||||
| d | d2 | B | d3 | C1 | h1 | ± | C | C0 | |||
| 6H | |||||||||||
|   | |||||||||||
| mm | 度數 | kN | kg | - | |||||||
|   | |||||||||||
| 12 | 33 | 16 | M 12 | 12,5 | 50 | 13 | 13,4 | 14 | 0,12 | SILKAC 12 M | |
同類型型號
隨機推薦型號