簡介: SKF軸承SALA80ES-2RS 類型為需要維護的桿端, 鋼對鋼,陽螺紋, 兩面密封件, 軸承內圈,外圈更多詳細資料您可致電我司,獲取SKF SALA80ES-2RS軸承 配合安裝尺寸,基本尺寸,滾子粒數,SALA80ES-2RS價格,外形尺寸,錐度, 軸承的圖紙、樣品、價格或者替換產品等!咨詢電話:0512-62658883
需要維護的桿端, 鋼對鋼,陽螺紋, 兩面密封件SALA80ES-2RS軸承 樣本圖紙
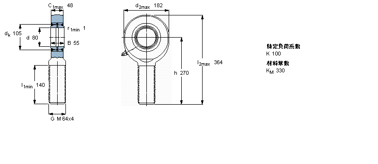
| 需要維護的桿端, 鋼對鋼,陽螺紋, 兩面密封件 | |||||||||||
| 公差 , 參見文字 | |||||||||||
| 徑向內部游隙 , 參見文字 | |||||||||||
|   | |||||||||||
| 主要數據尺寸 | 角度傾的 | 基本負荷額定值 | 質量 | 型號 | |||||||
| 動態 | 靜態 | 桿端帶右或左旋螺紋 | |||||||||
| d | d2 | B | d3 | C1 | h | ± | C | C0 | |||
| 6g | |||||||||||
|   | |||||||||||
| mm | 度數 | kN | kg | - | |||||||
|   | |||||||||||
| 80 | 182 | 55 | M 64x4 | 48 | 270 | 5 | 400 | 585 | 12,0 | SALA 80 ES-2RS | |
同類型型號
隨機推薦型號