簡介: SKF軸承SAKAC16M 類型為需要維護的桿端, 鋼對青銅,陽螺紋, 軸承內圈,外圈更多詳細資料您可致電我司,獲取SKF SAKAC16M軸承 代號,SAKAC16M基本尺寸,安裝尺寸,基本額定載荷,精度等級,裝配, 軸承的圖紙、樣品、價格或者替換產品等!咨詢電話:0512-62658883
需要維護的桿端, 鋼對青銅,陽螺紋SAKAC16M軸承 樣本圖紙
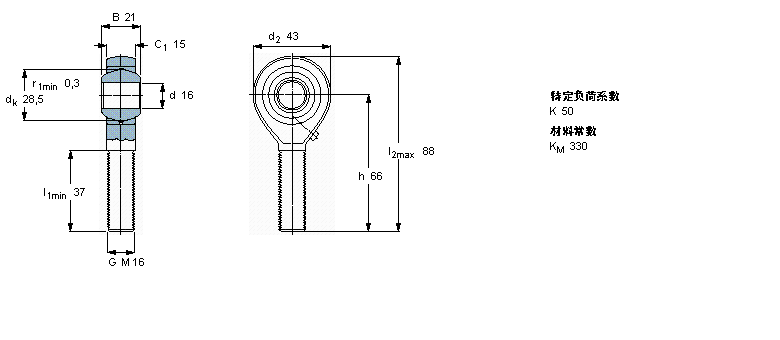
| 需要維護的桿端, 鋼對青銅,陽螺紋 | |||||||||||
| 公差 , 參見文字 | |||||||||||
| 徑向內部游隙 , 參見文字 | |||||||||||
|   | |||||||||||
| 主要數據尺寸 | 角度傾的 | 基本負荷額定值 | 質量 | 型號 | |||||||
| 動態 | 靜態 | 軸承座完全與 | |||||||||
| d | d2 | B | d3 | C1 | h | ± | C | C0 | |||
| 6g | |||||||||||
|   | |||||||||||
| mm | 度數 | kN | kg | - | |||||||
|   | |||||||||||
| 16 | 43 | 21 | M 16 | 15 | 66 | 15 | 21,6 | 23,2 | 0,21 | SAKAC 16 M | |
同類型型號
隨機推薦型號