簡介: SKF軸承QJ215MA 類型為角接觸球軸承, 四點接觸球軸承, 內徑為:75mm外徑為:130mm厚度為:25mm 軸承內圈,外圈更多詳細資料您可致電我司,獲取SKF QJ215MA軸承 配合安裝尺寸,安裝尺寸,重量,額定動負荷,載荷,QJ215MA極限轉速,游隙, 軸承的圖紙、樣品、價格或者替換產品等!咨詢電話:0512-62658883
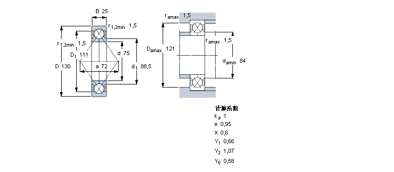
角接觸球軸承, 四點接觸球軸承QJ215MA軸承 樣本圖紙
| 角接觸球軸承, 四點接觸球軸承 | ||||||||||
| 公差 , 參見文字 | ||||||||||
| 軸向內部間隙, 參見文字 | ||||||||||
| 推薦配合 | ||||||||||
| 軸和軸承座公差 | ||||||||||
|   | ||||||||||
| 主要數據尺寸 | 基本負荷額定值 | 疲勞負荷限值 | 額定速度 | 體積 | 型號 | |||||
| 動態 | 靜態 | 參照速度 | 限制速度 | |||||||
| d | D | B | C | C0 | Pu | * - SKF Explorer 軸承 | ||||
|   | ||||||||||
| mm | kN | kN | r/min | kg | - | |||||
|   | ||||||||||
| 75 | 130 | 25 | 125 | 132 | 5,6 | 6300 | 8500 | 1,45 | QJ 215 MA * | |
同類型型號
隨機推薦型號