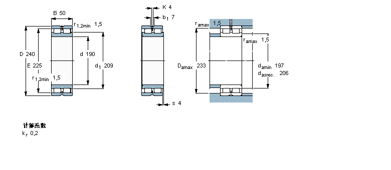
簡介: SKF軸承NNCL4838CV 類型為圓柱滾子軸承, 雙列滿裝滾子, 無密封件, 沒有載荷支承能力, 內徑為:190mm外徑為:240mm厚度為:50mm 軸承內圈,外圈更多詳細資料您可致電我司,獲取SKF NNCL4838CV軸承 游隙尺寸,游隙尺寸表,滾子粒數,NNCL4838CV報價,價格,外形尺寸,錐度, 軸承的圖紙、樣品、價格或者替換產品等!咨詢電話:0512-62658883
圓柱滾子軸承, 雙列滿裝滾子, 無密封件, 沒有載荷支承能力NNCL4838CV軸承 樣本圖紙
| 圓柱滾子軸承, 雙列滿裝滾子, 無密封件, 沒有載荷支承能力 | ||||||||||
| 公差 , 參見文字 | ||||||||||
| 徑向內部游隙 , 參見文字 | ||||||||||
| 推薦配合 | ||||||||||
| 軸和軸承座公差 | ||||||||||
|   | ||||||||||
| 主要數據尺寸 | 基本負荷額定值 | 疲勞負荷限值 | 額定速度 | 體積 | 型號 | |||||
| 動態 | 靜態 | 參照速度 | 限制速度 | |||||||
| d | D | B | C | C0 | Pu | |||||
|   | ||||||||||
| mm | kN | kN | r/min | kg | - | |||||
|   | ||||||||||
| 190 | 240 | 50 | 330 | 750 | 76,5 | 1100 | 1400 | 5,30 | NNCL 4838 CV | |
同類型型號
隨機推薦型號