簡介: SKF軸承NNCF4928CV 類型為圓柱滾子軸承, 雙列滿裝滾子, 無密封件, 單方向軸向負荷的擋邊, 內徑為:140mm外徑為:190mm厚度為:50mm 軸承內圈,外圈更多詳細資料您可致電我司,獲取SKF NNCF4928CV軸承 代號,NNCF4928CV基本尺寸,安裝尺寸,基本額定載荷,精度等級,裝配, 軸承的圖紙、樣品、價格或者替換產品等!咨詢電話:0512-62658883
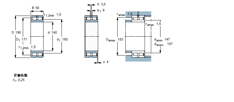
圓柱滾子軸承, 雙列滿裝滾子, 無密封件, 單方向軸向負荷的擋邊NNCF4928CV軸承 樣本圖紙
| 圓柱滾子軸承, 雙列滿裝滾子, 無密封件, 單方向軸向負荷的擋邊 | ||||||||||
| 公差 , 參見文字 | ||||||||||
| 徑向內部游隙 , 參見文字 | ||||||||||
| 推薦配合 | ||||||||||
| 軸和軸承座公差 | ||||||||||
|   | ||||||||||
| 主要數據尺寸 | 基本負荷額定值 | 疲勞負荷限值 | 額定速度 | 體積 | 型號 | |||||
| 動態 | 靜態 | 參照速度 | 限制速度 | |||||||
| d | D | B | C | C0 | Pu | |||||
|   | ||||||||||
| mm | kN | kN | r/min | kg | - | |||||
|   | ||||||||||
| 140 | 190 | 50 | 286 | 570 | 63 | 1500 | 1900 | 4,15 | NNCF 4928 CV | |
同類型型號
隨機推薦型號