簡介: SKF軸承NKX50 類型為組合式滾針軸承, 滾針/推力球軸承, 內徑為:50mm外徑為:62mm厚度為:35mm 軸承內圈,外圈更多詳細資料您可致電我司,獲取SKF NKX50軸承 配合安裝尺寸,基本尺寸,滾子粒數,NKX50價格,外形尺寸,錐度, 軸承的圖紙、樣品、價格或者替換產品等!咨詢電話:0512-62658883
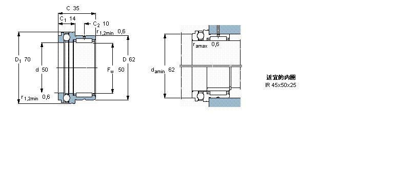
組合式滾針軸承, 滾針/推力球軸承NKX50軸承 樣本圖紙
| 組合式滾針軸承, 滾針/推力球軸承 | ||||||||||||||
| 公差 , 參見文字 | ||||||||||||||
| 徑向內部游隙 , 參見文字 | ||||||||||||||
| 推薦配合 | ||||||||||||||
| 軸和軸承座公差 | ||||||||||||||
|   | ||||||||||||||
| 主要數據尺寸 | 基本負荷額定值 | 疲勞負荷限值 | 最小負荷系數 | 額定速度 | 體積 | 型號 | ||||||||
| 徑向 | 軸向 | 參照速度 | 限制速度 | |||||||||||
| 動態 | 靜態 | 動態 | 靜態 | 徑向 | 軸向 | |||||||||
| Fw | D | C | C | C0 | C | C0 | Pu | Pu | A | |||||
|   | ||||||||||||||
| mm | kN | kN | - | r/min | kg | - | ||||||||
|   | ||||||||||||||
| 50 | 62 | 35 | 38 | 80 | 28,6 | 81,5 | 9,65 | 3,05 | 0,034 | 4300 | 6300 | 0,28 | NKX 50 | |
同類型型號
隨機推薦型號