簡介: SKF軸承NKIB5904 類型為組合式滾針軸承, 滾針/角接觸球軸承, 軸向負荷 雙向, 內徑為:20mm外徑為:37mm厚度為:25mm 軸承內圈,外圈更多詳細資料您可致電我司,獲取SKF NKIB5904軸承 代號,NKIB5904基本尺寸,安裝尺寸,基本額定載荷,精度等級,裝配, 軸承的圖紙、樣品、價格或者替換產品等!咨詢電話:0512-62658883
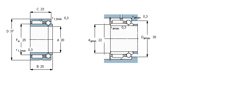
組合式滾針軸承, 滾針/角接觸球軸承, 軸向負荷 雙向NKIB5904軸承 樣本圖紙
| 組合式滾針軸承, 滾針/角接觸球軸承, 軸向負荷 雙向 | |||||||||||||
| 公差 , 參見文字 | |||||||||||||
| 徑向內部游隙 , 參見文字 | |||||||||||||
| 推薦配合 | |||||||||||||
| 軸和軸承座公差 | |||||||||||||
|   | |||||||||||||
| 主要數據尺寸 | 基本負荷額定值 | 疲勞負荷限值 | 額定速度 | 體積 | 型號 | ||||||||
| 徑向 | 軸向 | 參照速度 | 限制速度 | ||||||||||
| 動態 | 靜態 | 動態 | 靜態 | 徑向 | 軸向 | ||||||||
| d | D | B | C | C0 | C | C0 | Pu | Pu | |||||
|   | |||||||||||||
| mm | kN | kN | r/min | kg | - | ||||||||
|   | |||||||||||||
| 20 | 37 | 25 | 21,6 | 28 | 3,79 | 4,21 | 3,35 | 0,176 | 15000 | 17000 | 0,11 | NKIB 5904 | |
同類型型號
隨機推薦型號