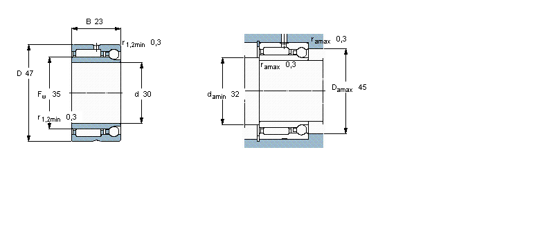
簡介: SKF軸承NKIA5906 類型為組合式滾針軸承, 滾針/角接觸球軸承, 軸向負荷 單向, 內徑為:30mm外徑為:47mm厚度為:23mm 軸承內圈,外圈更多詳細資料您可致電我司,獲取SKF NKIA5906軸承 配合安裝尺寸,基本尺寸,滾子粒數,NKIA5906價格,外形尺寸,錐度, 軸承的圖紙、樣品、價格或者替換產品等!咨詢電話:0512-62658883
組合式滾針軸承, 滾針/角接觸球軸承, 軸向負荷 單向NKIA5906軸承 樣本圖紙
| 組合式滾針軸承, 滾針/角接觸球軸承, 軸向負荷 單向 | |||||||||||||
| 公差 , 參見文字 | |||||||||||||
| 徑向內部游隙 , 參見文字 | |||||||||||||
| 推薦配合 | |||||||||||||
| 軸和軸承座公差 | |||||||||||||
|   | |||||||||||||
| 主要數據尺寸 | 基本負荷額定值 | 疲勞負荷限值 | 額定速度 | 體積 | 型號 | ||||||||
| 徑向 | 軸向 | 參照速度 | 限制速度 | ||||||||||
| 動態 | 靜態 | 動態 | 靜態 | 徑向 | 軸向 | ||||||||
| d | D | B | C | C0 | C | C0 | Pu | Pu | |||||
|   | |||||||||||||
| mm | kN | kN | r/min | kg | - | ||||||||
|   | |||||||||||||
| 30 | 47 | 23 | 25,5 | 39 | 4,54 | 6,32 | 4,65 | 0,268 | 11000 | 13000 | 0,15 | NKIA 5906 | |
同類型型號
隨機推薦型號