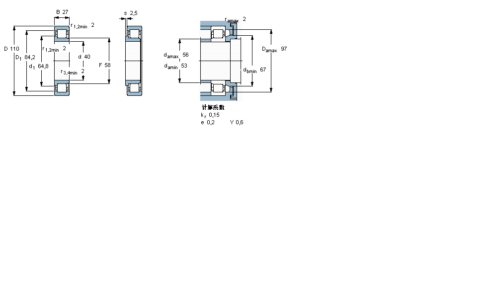
簡介: SKF軸承NJ408 類型為圓柱滾子軸承, 單列, NJ 設計, 內徑為:40mm外徑為:110mm厚度為:27mm 軸承內圈,外圈更多詳細資料您可致電我司,獲取SKF NJ408軸承 配合安裝尺寸,安裝尺寸,重量,額定動負荷,載荷,NJ408極限轉速,游隙, 軸承的圖紙、樣品、價格或者替換產品等!咨詢電話:0512-62658883
圓柱滾子軸承, 單列, NJ 設計NJ408軸承 樣本圖紙
| 圓柱滾子軸承, 單列, NJ 設計 | ||||||||||||
| 公差 , 參見文字 | ||||||||||||
| 徑向內部間隙, 圓柱型內孔 , 圓錐型內孔, 無密封件 , 參見文字 | ||||||||||||
| 推薦配合 | ||||||||||||
| 軸和軸承座公差 | ||||||||||||
|   | ||||||||||||
| 主要數據尺寸 | 基本負荷額定值 | 疲勞負荷限值 | 額定速度 | 體積 | 型號 | 適宜的斜擋圈 | ||||||
| 動態 | 靜態 | 參照速度 | 限制速度 | 型號 | ||||||||
| d | D | B | C | C0 | Pu | |||||||
|   | ||||||||||||
| mm | kN | kN | r/min | kg | - | - | ||||||
|   | ||||||||||||
| 40 | 110 | 27 | 96,8 | 90 | 11,8 | 7000 | 8500 | 1,35 | NJ 408 | - | ||
同類型型號
隨機推薦型號