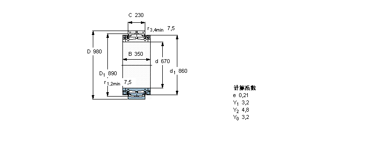
簡介: SKF軸承BS2B242994 類型為球面滾子軸承, 剖分式, 內徑為:670mm外徑為:980mm厚度為:350mm 軸承內圈,外圈更多詳細資料您可致電我司,獲取SKF BS2B242994軸承 配合安裝尺寸,基本尺寸,滾子粒數,BS2B242994價格,外形尺寸,錐度, 軸承的圖紙、樣品、價格或者替換產品等!咨詢電話:0512-62658883
球面滾子軸承, 剖分式BS2B242994軸承 樣本圖紙
| 球面滾子軸承, 剖分式 | |||||||||
| 公差 , 參見文字 | |||||||||
| 徑向內部游隙 , 參見文字 | |||||||||
| 推薦配合, 參見文字 | |||||||||
| 軸和軸承座公差 | |||||||||
|   | |||||||||
| 主要數據尺寸 | 基本負荷額定值 | 疲勞負荷限值 | 體積 | 型號 | |||||
| 動態 | 靜態 | ||||||||
| d | D | B | C | C | C0 | Pu | |||
|   | |||||||||
| mm | kN | kN | kg | - | |||||
|   | |||||||||
| 670 | 980 | 350 | 230 | 6440 | 14000 | 850 | 800 | BS2B 242994 | |
同類型型號
隨機推薦型號