簡介: SKF軸承6306-ZNR 類型為深溝球軸承, 單列,帶止動環槽, 單面防塵罩, 內徑為:30mm外徑為:72mm厚度為:19mm 軸承內圈,外圈更多詳細資料您可致電我司,獲取SKF 6306-ZNR軸承 配合安裝尺寸,基本尺寸,滾子粒數,6306-ZNR價格,外形尺寸,錐度, 軸承的圖紙、樣品、價格或者替換產品等!咨詢電話:0512-62658883
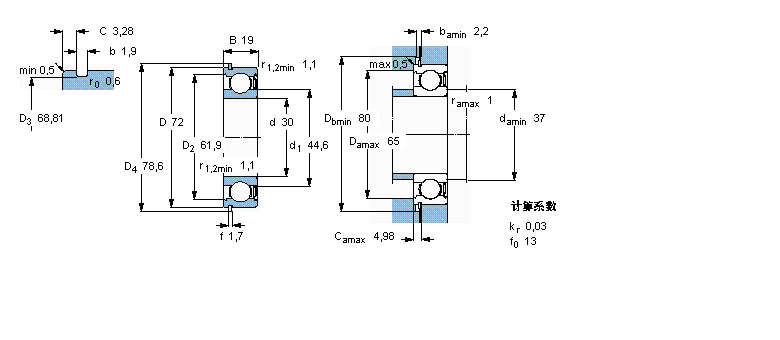
深溝球軸承, 單列,帶止動環槽, 單面防塵罩6306-ZNR軸承 樣本圖紙
| 深溝球軸承, 單列,帶止動環槽, 單面防塵罩 | |||||||||||
| 公差 , 參見文字 | |||||||||||
| 徑向內部游隙 , 參見文字 | |||||||||||
| 推薦配合 | |||||||||||
| 軸和軸承座公差 | |||||||||||
|   | |||||||||||
| 主要數據尺寸 | 基本負荷額定值 | 疲勞負荷限值 | 額定速度 | 體積 | 型號 | ||||||
| 動態 | 靜態 | 參照速度 | 限制速度 | 軸承 | 止動環 | ||||||
| (R = 帶止動環) | |||||||||||
| d | D | B | C | C0 | Pu | * - SKF Explorer 軸承 | |||||
|   | |||||||||||
| mm | kN | kN | r/min | kg | - | ||||||
|   | |||||||||||
| 30 | 72 | 19 | 29,6 | 16 | 0,67 | 20000 | 13000 | 0,35 | 6306-ZNR * | SP 72 | |
同類型型號
隨機推薦型號