簡介: SKF軸承6304-ZNR 類型為深溝球軸承, 單列,帶止動環槽, 單面防塵罩, 內徑為:20mm外徑為:52mm厚度為:15mm 軸承內圈,外圈更多詳細資料您可致電我司,獲取SKF 6304-ZNR軸承 游隙尺寸,游隙尺寸表,滾子粒數,6304-ZNR報價,價格,外形尺寸,錐度, 軸承的圖紙、樣品、價格或者替換產品等!咨詢電話:0512-62658883
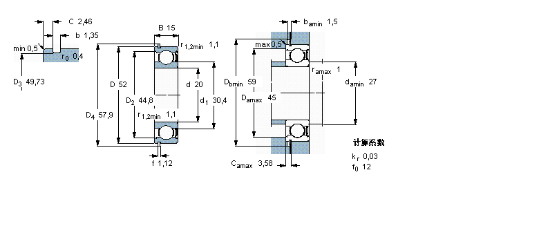
深溝球軸承, 單列,帶止動環槽, 單面防塵罩6304-ZNR軸承 樣本圖紙
| 深溝球軸承, 單列,帶止動環槽, 單面防塵罩 | |||||||||||
| 公差 , 參見文字 | |||||||||||
| 徑向內部游隙 , 參見文字 | |||||||||||
| 推薦配合 | |||||||||||
| 軸和軸承座公差 | |||||||||||
|   | |||||||||||
| 主要數據尺寸 | 基本負荷額定值 | 疲勞負荷限值 | 額定速度 | 體積 | 型號 | ||||||
| 動態 | 靜態 | 參照速度 | 限制速度 | 軸承 | 止動環 | ||||||
| (R = 帶止動環) | |||||||||||
| d | D | B | C | C0 | Pu | * - SKF Explorer 軸承 | |||||
|   | |||||||||||
| mm | kN | kN | r/min | kg | - | ||||||
|   | |||||||||||
| 20 | 52 | 15 | 16,8 | 7,8 | 0,335 | 30000 | 19000 | 0,14 | 6304-ZNR * | SP 52 | |
同類型型號
隨機推薦型號