簡介: SKF軸承6200/HR22T2 類型為聚合物球軸承,單列球軸承, PP/PP/stainless steel/PP, 內徑為:10mm外徑為:30mm厚度為:9mm 軸承內圈,外圈更多詳細資料您可致電我司,獲取SKF 6200/HR22T2軸承 配合安裝尺寸,基本尺寸,滾子粒數,6200/HR22T2價格,外形尺寸,錐度, 軸承的圖紙、樣品、價格或者替換產品等!咨詢電話:0512-62658883
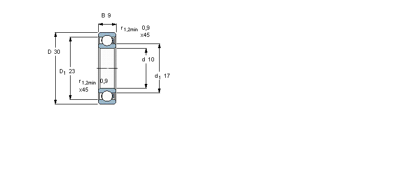
聚合物球軸承,單列球軸承, PP/PP/stainless steel/PP6200/HR22T2軸承 樣本圖紙
| 聚合物球軸承,單列球軸承, PP/PP/stainless steel/PP | ||||||||
|   | ||||||||
| 主要數據尺寸 | 負荷能力 | 額定速度 | 體積 | 型號 | ||||
| d | D | B | 動態 1) | 靜態 2) | 最大 3) | 最大 | - | |
| 1) above 50 °C and/or above 20 % | 3) Consider load carrying | |||||||
| of max speed rating consider | capability reduction according | |||||||
| reduction according to diagram | to diagram | |||||||
| 2) above 50 °C consider | ||||||||
| reduction according to diagram | ||||||||
|   | ||||||||
| mm | kN | r/min | kg | - | ||||
|   | ||||||||
| 10 | 30 | 9 | 0,11 | 0,09 | 1450 | 0,0071 | 6200/HR22T2 | |
同類型型號
隨機推薦型號