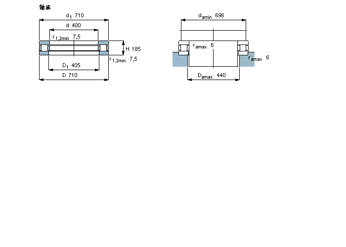
簡介: SKF軸承358191 類型為圓柱滾子推力軸承, 軸承 / 圓柱滾子和保持架止推組件, 內徑為:400mm外徑為:710mm厚度為:185mm 軸承內圈,外圈更多詳細資料您可致電我司,獲取SKF 358191軸承 代號,358191基本尺寸,安裝尺寸,基本額定載荷,精度等級,裝配, 軸承的圖紙、樣品、價格或者替換產品等!咨詢電話:0512-62658883
圓柱滾子推力軸承, 軸承 / 圓柱滾子和保持架止推組件358191軸承 樣本圖紙
| 圓柱滾子推力軸承, 軸承 / 圓柱滾子和保持架止推組件 | ||||||||||||
| 公差 , 參見文字 | ||||||||||||
| 推薦配合 | ||||||||||||
| 軸和軸承座公差 | ||||||||||||
|   | ||||||||||||
| 主要數據尺寸 | 基本負荷額定值 | 疲勞負荷限值 | 最小負荷系數 | 額定速度 | 體積 | 型號 | ||||||
| 動態 | 靜態 | 參照速度 | 限制速度 | 軸承 | 圓柱滾子和保持架止推組件 | |||||||
| d | D | H | C | C0 | Pu | A | ||||||
|   | ||||||||||||
| mm | kN | kN | - | r/min | kg | - | ||||||
|   | ||||||||||||
| 400 | 710 | 185 | 5700 | 31000 | 2000 | 77 | 200 | 400 | 350 | 358191 | - | |
同類型型號
隨機推薦型號