簡介: SKF軸承53309 類型為推力球軸承, 單向,帶球面軸承座墊圈, 軸承內圈,外圈更多詳細資料您可致電我司,獲取SKF 53309軸承 代號,53309基本尺寸,安裝尺寸,基本額定載荷,精度等級,裝配, 軸承的圖紙、樣品、價格或者替換產品等!咨詢電話:0512-62658883
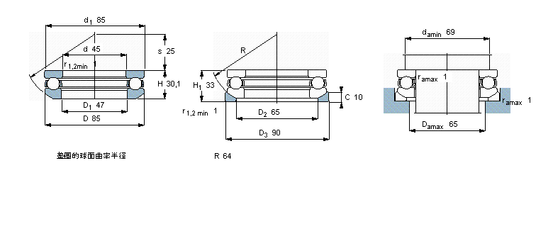
推力球軸承, 單向,帶球面軸承座墊圈53309軸承 樣本圖紙
| 推力球軸承, 單向,帶球面軸承座墊圈 | ||||||||||||
| 公差 , 參見文字 | ||||||||||||
| 推薦配合 | ||||||||||||
| 軸和軸承座公差 | ||||||||||||
|   | ||||||||||||
| 主要數據尺寸 | 基本負荷額定值 | 疲勞負荷限值 | 最小負荷系數 | 額定速度 | 體積 | 型號 | ||||||
| 動態 | 靜態 | 參照速度 | 限制速度 | 軸承 +墊圈 | 軸承 | 基座墊圈 | ||||||
| d | D | H1 | C | C0 | Pu | A | ||||||
|   | ||||||||||||
| mm | kN | kN | - | r/min | kg | - | ||||||
|   | ||||||||||||
| 45 | 85 | 33 | 76,1 | 153 | 5,6 | 0,12 | 2800 | 4000 | 0,83 | 53309 | U 309 | |
同類型型號
隨機推薦型號