簡介: SKF軸承5206A-2Z 類型為角接觸球軸承, 雙列, 兩面防塵罩, 內徑為:30mm外徑為:62mm厚度為:23.8mm 軸承內圈,外圈更多詳細資料您可致電我司,獲取SKF 5206A-2Z軸承 游隙尺寸,游隙尺寸表,滾子粒數,5206A-2Z報價,價格,外形尺寸,錐度, 軸承的圖紙、樣品、價格或者替換產品等!咨詢電話:0512-62658883
角接觸球軸承, 雙列, 兩面防塵罩5206A-2Z軸承 樣本圖紙
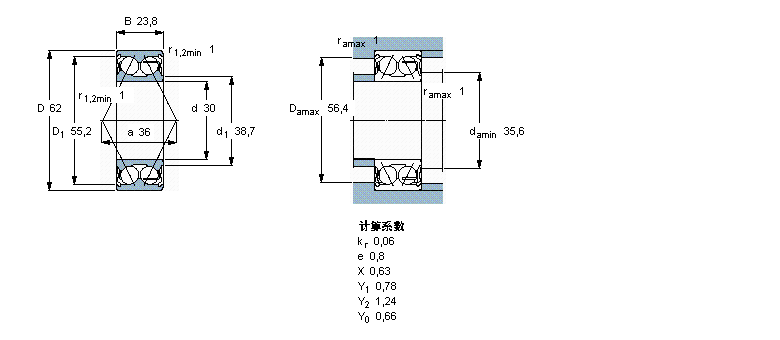
| 角接觸球軸承, 雙列, 兩面防塵罩 | ||||||||||
| 公差 , 參見文字 | ||||||||||
| 軸向內部間隙, a), b), 參見文字 | ||||||||||
| 推薦配合 | ||||||||||
| 軸和軸承座公差 | ||||||||||
|   | ||||||||||
| 主要數據尺寸 | 基本負荷額定值 | 疲勞負荷限值 | 額定速度 | 體積 | 型號 | |||||
| 動態 | 靜態 | 參照速度 | 限制速度 | |||||||
| d | D | B | C | C0 | Pu | * - SKF Explorer 軸承 | ||||
|   | ||||||||||
| mm | kN | kN | r/min | kg | - | |||||
|   | ||||||||||
| 30 | 62 | 23,8 | 30 | 20,4 | 0,865 | 10000 | 10000 | 0,27 | 5206 A-2Z * | |
同類型型號
隨機推薦型號