簡介: SKF軸承5200A-2ZTN9 類型為角接觸球軸承, 雙列, 兩面防塵罩, 內徑為:10mm外徑為:30mm厚度為:14.3mm 軸承內圈,外圈更多詳細資料您可致電我司,獲取SKF 5200A-2ZTN9軸承 配合安裝尺寸,安裝尺寸,重量,額定動負荷,載荷,5200A-2ZTN9極限轉速,游隙, 軸承的圖紙、樣品、價格或者替換產品等!咨詢電話:0512-62658883
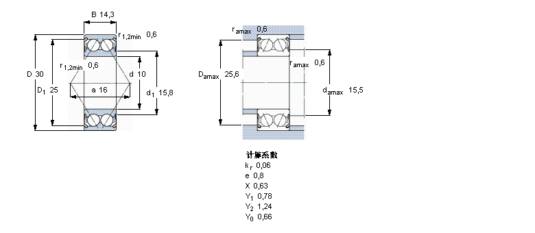
角接觸球軸承, 雙列, 兩面防塵罩5200A-2ZTN9軸承 樣本圖紙
| 角接觸球軸承, 雙列, 兩面防塵罩 | ||||||||||
| 公差 , 參見文字 | ||||||||||
| 軸向內部間隙, a), b), 參見文字 | ||||||||||
| 推薦配合 | ||||||||||
| 軸和軸承座公差 | ||||||||||
|   | ||||||||||
| 主要數據尺寸 | 基本負荷額定值 | 疲勞負荷限值 | 額定速度 | 體積 | 型號 | |||||
| 動態 | 靜態 | 參照速度 | 限制速度 | |||||||
| d | D | B | C | C0 | Pu | |||||
|   | ||||||||||
| mm | kN | kN | r/min | kg | - | |||||
|   | ||||||||||
| 10 | 30 | 14,3 | 7,61 | 4,3 | 0,183 | 22000 | 24000 | 0,051 | 5200 A-2ZTN9 | |
同類型型號
隨機推薦型號