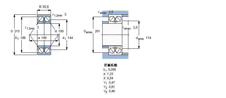
簡介: SKF軸承3320DMA 類型為角接觸球軸承, 雙列, 無密封件, 兩部份內圈, 內徑為:100mm外徑為:215mm厚度為:82.6mm 軸承內圈,外圈更多詳細資料您可致電我司,獲取SKF 3320DMA軸承 配合安裝尺寸,基本尺寸,滾子粒數,3320DMA價格,外形尺寸,錐度, 軸承的圖紙、樣品、價格或者替換產品等!咨詢電話:0512-62658883
角接觸球軸承, 雙列, 無密封件, 兩部份內圈3320DMA軸承 樣本圖紙
| 角接觸球軸承, 雙列, 無密封件, 兩部份內圈 | ||||||||||
| 公差 , 參見文字 | ||||||||||
| 軸向內部間隙, a), b), 參見文字 | ||||||||||
| 推薦配合 | ||||||||||
| 軸和軸承座公差 | ||||||||||
|   | ||||||||||
| 主要數據尺寸 | 基本負荷額定值 | 疲勞負荷限值 | 額定速度 | 體積 | 型號 | |||||
| 動態 | 靜態 | 參照速度 | 限制速度 | |||||||
| d | D | B | C | C0 | Pu | |||||
|   | ||||||||||
| mm | kN | kN | r/min | kg | - | |||||
|   | ||||||||||
| 100 | 215 | 82,6 | 260 | 305 | 10,4 | 2600 | 2800 | 15,0 | 3320 DMA | |
同類型型號
隨機推薦型號