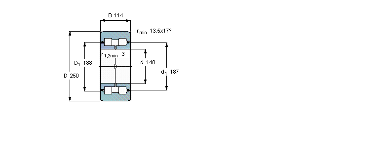
簡介: SKF軸承316977C 類型為滾子分度單元, 滾子分度單元, 內徑為:140mm外徑為:250mm厚度為:114mm 軸承內圈,外圈更多詳細資料您可致電我司,獲取SKF 316977C軸承 游隙尺寸,游隙尺寸表,滾子粒數,316977C報價,價格,外形尺寸,錐度, 軸承的圖紙、樣品、價格或者替換產品等!咨詢電話:0512-62658883
滾子分度單元, 滾子分度單元316977C軸承 樣本圖紙
| 滾子分度單元, 滾子分度單元 | ||||||||||
| 公差 , 參見文字 | ||||||||||
| 徑向內部間隙, 參見文字 | ||||||||||
| 推薦配合 | ||||||||||
| 軸和軸承座公差 | ||||||||||
|   | ||||||||||
| 主要數據尺寸 | 基本負荷額定值 | 疲勞負荷限值 | 最大徑向負荷 | 體積 | 型號 | |||||
| 滾子 | ||||||||||
| 動態 | 靜態 | 動態 | 靜態 | |||||||
| d | D | B | C | C0 | Pu | Fr | F0r | |||
|   | ||||||||||
| mm | kN | kN | kN | kg | - | |||||
|   | ||||||||||
| 140 | 250 | 114 | 512 | 750 | 85 | 275 | 400 | 25,0 | 316977 C | |
同類型型號
隨機推薦型號