簡介: SKF軸承2304TN 類型為自調心球軸承, 圓柱孔和圓錐孔, 圓柱型內孔, 無密封件, 內徑為:20mm外徑為:52mm厚度為:21mm 軸承內圈,外圈更多詳細資料您可致電我司,獲取SKF 2304TN軸承 配合安裝尺寸,安裝尺寸,重量,額定動負荷,載荷,2304TN極限轉速,游隙, 軸承的圖紙、樣品、價格或者替換產品等!咨詢電話:0512-62658883
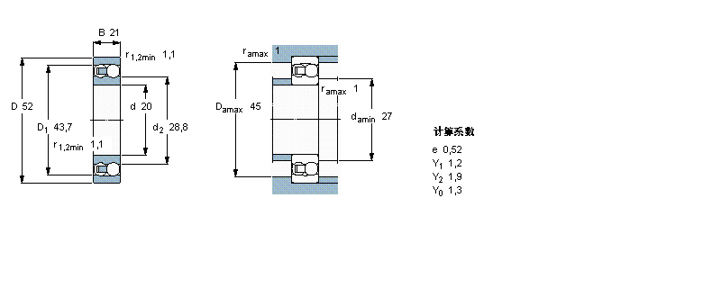
自調心球軸承, 圓柱孔和圓錐孔, 圓柱型內孔, 無密封件2304TN軸承 樣本圖紙
| 自調心球軸承, 圓柱孔和圓錐孔, 圓柱型內孔, 無密封件 | ||||||||||
| 公差 , 參見文字 | ||||||||||
| 徑向內部游隙 , 參見文字 | ||||||||||
| 推薦配合 | ||||||||||
| 軸和軸承座公差 | ||||||||||
|   | ||||||||||
| 主要數據尺寸 | 基本負荷額定值 | 疲勞負荷限值 | 額定速度 | 體積 | 型號 | |||||
| 動態 | 靜態 | 參照速度 | 限制速度 | |||||||
| d | D | B | C | C0 | Pu | |||||
|   | ||||||||||
| mm | kN | kN | r/min | kg | - | |||||
|   | ||||||||||
| 20 | 52 | 21 | 18,2 | 4,75 | 0,24 | 26000 | 19000 | 0,22 | 2304 TN | |
同類型型號
隨機推薦型號