簡介: SKF軸承2207E-2RS1KTN9+H307C 類型為自調心球軸承, 帶緊定套, 兩面密封件, 內徑為:30mm外徑為:72mm厚度為:23mm 軸承內圈,外圈更多詳細資料您可致電我司,獲取SKF 2207E-2RS1KTN9+H307C軸承 代號,2207E-2RS1KTN9+H307C基本尺寸,安裝尺寸,基本額定載荷,精度等級,裝配, 軸承的圖紙、樣品、價格或者替換產品等!咨詢電話:0512-62658883
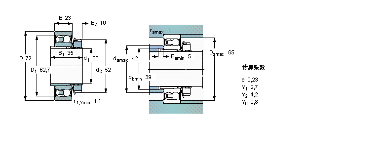
自調心球軸承, 帶緊定套, 兩面密封件2207E-2RS1KTN9+H307C軸承 樣本圖紙
| 自調心球軸承, 帶緊定套, 兩面密封件 | ||||||||||
| 公差 , 參見文字 | ||||||||||
| 徑向內部游隙 , 參見文字 | ||||||||||
| 推薦配合 | ||||||||||
| 軸和軸承座公差 | ||||||||||
|   | ||||||||||
| 主要數據尺寸 | 基本負荷額定值 | 疲勞負荷限值 | 額定速度 | 體積 | 型號 | |||||
| 動態 | 靜態 | 參照速度 | 限制速度 | 軸承 + 緊定套 | ||||||
| d1 | D | B | C | C0 | Pu | |||||
|   | ||||||||||
| mm | kN | kN | r/min | kg | - | |||||
|   | ||||||||||
| 30 | 72 | 23 | 19 | 6 | 0,31 | - | 6300 | 0,55 | 2207 E-2RS1 KTN9 + H 307 C | |
同類型型號
隨機推薦型號