簡介: SKF軸承1220 類型為自調心球軸承, 圓柱孔和圓錐孔, 圓柱型內孔, 無密封件, 內徑為:100mm外徑為:180mm厚度為:34mm 軸承內圈,外圈更多詳細資料您可致電我司,獲取SKF 1220軸承 配合安裝尺寸,基本尺寸,滾子粒數,1220價格,外形尺寸,錐度, 軸承的圖紙、樣品、價格或者替換產品等!咨詢電話:0512-62658883
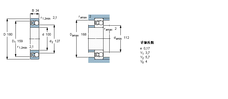
自調心球軸承, 圓柱孔和圓錐孔, 圓柱型內孔, 無密封件1220軸承 樣本圖紙
| 自調心球軸承, 圓柱孔和圓錐孔, 圓柱型內孔, 無密封件 | ||||||||||
| 公差 , 參見文字 | ||||||||||
| 徑向內部游隙 , 參見文字 | ||||||||||
| 推薦配合 | ||||||||||
| 軸和軸承座公差 | ||||||||||
|   | ||||||||||
| 主要數據尺寸 | 基本負荷額定值 | 疲勞負荷限值 | 額定速度 | 體積 | 型號 | |||||
| 動態 | 靜態 | 參照速度 | 限制速度 | |||||||
| d | D | B | C | C0 | Pu | |||||
|   | ||||||||||
| mm | kN | kN | r/min | kg | - | |||||
|   | ||||||||||
| 100 | 180 | 34 | 68,9 | 30 | 1,29 | 7500 | 4800 | 3,70 | 1220 | |
同類型型號
隨機推薦型號