簡介: SKF軸承W619/6-2ZR 類型為深溝球軸承, 單列,不銹鋼,帶法蘭, 兩面防塵罩, 內徑為:6mm外徑為:15mm厚度為:17mm 軸承內圈,外圈更多詳細資料您可致電我司,獲取SKF W619/6-2ZR軸承 游隙尺寸,游隙尺寸表,滾子粒數,W619/6-2ZR報價,價格,外形尺寸,錐度, 軸承的圖紙、樣品、價格或者替換產品等!咨詢電話:0512-62658883
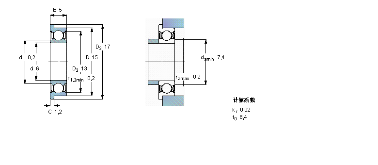
深溝球軸承, 單列,不銹鋼,帶法蘭, 兩面防塵罩W619/6-2ZR軸承 樣本圖紙
| 深溝球軸承, 單列,不銹鋼,帶法蘭, 兩面防塵罩 | ||||||||||||
| 公差 , 參見文字 | ||||||||||||
| 徑向內部游隙 , 參見文字 | ||||||||||||
| 推薦配合 | ||||||||||||
| 軸和軸承座公差 | ||||||||||||
|   | ||||||||||||
| 主要數據尺寸 | 基本負荷額定值 | 疲勞負荷限值 | 額定速度 | 體積 | 型號 | |||||||
| 動態 | 靜態 | 參照速度 | 限制速度 | |||||||||
| d | D | D3 | B | C | C | C0 | Pu | |||||
|   | ||||||||||||
| mm | kN | kN | r/min | kg | - | |||||||
|   | ||||||||||||
| 6 | 15 | 17 | 5 | 1,2 | 1,04 | 0,455 | 0,02 | 100000 | 50000 | 0,004 | W 619/6-2ZR | |
同類型型號
隨機推薦型號