簡介: SKF軸承W618/6R 類型為深溝球軸承, 單列,不銹鋼,帶法蘭, 無密封件, 內徑為:6mm外徑為:13mm厚度為:15mm 軸承內圈,外圈更多詳細資料您可致電我司,獲取SKF W618/6R軸承 配合安裝尺寸,基本尺寸,滾子粒數,W618/6R價格,外形尺寸,錐度, 軸承的圖紙、樣品、價格或者替換產品等!咨詢電話:0512-62658883
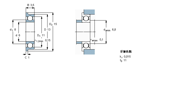
深溝球軸承, 單列,不銹鋼,帶法蘭, 無密封件W618/6R軸承 樣本圖紙
| 深溝球軸承, 單列,不銹鋼,帶法蘭, 無密封件 | ||||||||||||
| 公差 , 參見文字 | ||||||||||||
| 徑向內部游隙 , 參見文字 | ||||||||||||
| 推薦配合 | ||||||||||||
| 軸和軸承座公差 | ||||||||||||
|   | ||||||||||||
| 主要數據尺寸 | 基本負荷額定值 | 疲勞負荷限值 | 額定速度 | 體積 | 型號 | |||||||
| 動態 | 靜態 | 參照速度 | 限制速度 | |||||||||
| d | D | D3 | B | C | C | C0 | Pu | |||||
|   | ||||||||||||
| mm | kN | kN | r/min | kg | - | |||||||
|   | ||||||||||||
| 6 | 13 | 15 | 3,5 | 1 | 0,741 | 0,335 | 0,015 | 110000 | 67000 | 0,0022 | W 618/6 R | |
同類型型號
隨機推薦型號