簡介: SKF軸承OH39/950H 類型為緊定套, 軸承內圈,外圈更多詳細資料您可致電我司,獲取SKF OH39/950H軸承 配合安裝尺寸,安裝尺寸,重量,額定動負荷,載荷,OH39/950H極限轉速,游隙, 軸承的圖紙、樣品、價格或者替換產品等!咨詢電話:0512-62658883
緊定套OH39/950H軸承 樣本圖紙
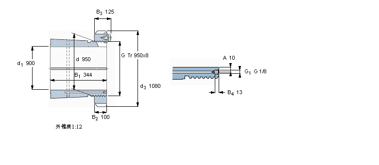
| 緊定套 | ||||||||||
|   | ||||||||||
| 尺寸 | 體積 | 型號 | ||||||||
| 緊定軸套帶螺母 | 鎖定螺母 | 鎖定裝置 | 適宜的液壓 | |||||||
| d1 | d | d3 | B1 | G | 和鎖緊裝置 | 螺母 | ||||
|   | ||||||||||
| mm | kg | - | ||||||||
|   | ||||||||||
| 900 | 950 | 1080 | 344 | Tr 950x8 | 362 | OH 39/950 H | HM 30/950 | MS 30/950 | HMV 190 E | |
同類型型號
隨機推薦型號