簡介: SKF軸承OH31/1060H 類型為緊定套, 軸承內圈,外圈更多詳細資料您可致電我司,獲取SKF OH31/1060H軸承 游隙尺寸,游隙尺寸表,滾子粒數,OH31/1060H報價,價格,外形尺寸,錐度, 軸承的圖紙、樣品、價格或者替換產品等!咨詢電話:0512-62658883
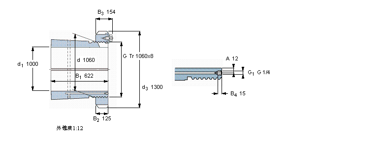
緊定套OH31/1060H軸承 樣本圖紙
| 緊定套 | ||||||||||
|   | ||||||||||
| 尺寸 | 體積 | 型號 | ||||||||
| 緊定軸套帶螺母 | 鎖定螺母 | 鎖定裝置 | 適宜的液壓 | |||||||
| d1 | d | d3 | B1 | G | 和鎖緊裝置 | 螺母 | ||||
|   | ||||||||||
| mm | kg | - | ||||||||
|   | ||||||||||
| 1000 | 1060 | 1300 | 622 | Tr 1060x8 | 984 | OH 31/1060 H | HM 31/1060 | MS 31/1000 | HMV 212 E | |
同類型型號
隨機推薦型號