簡介: SKF軸承OH30/1060H 類型為緊定套, 軸承內圈,外圈更多詳細資料您可致電我司,獲取SKF OH30/1060H軸承 代號,OH30/1060H基本尺寸,安裝尺寸,基本額定載荷,精度等級,裝配, 軸承的圖紙、樣品、價格或者替換產品等!咨詢電話:0512-62658883
緊定套OH30/1060H軸承 樣本圖紙
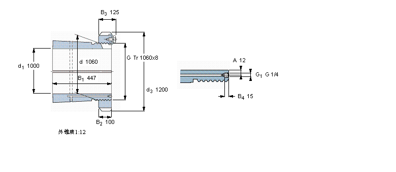
| 緊定套 | ||||||||||
|   | ||||||||||
| 尺寸 | 體積 | 型號 | ||||||||
| 緊定軸套帶螺母 | 鎖定螺母 | 鎖定裝置 | 適宜的液壓 | |||||||
| d1 | d | d3 | B1 | G | 和鎖緊裝置 | 螺母 | ||||
|   | ||||||||||
| mm | kg | - | ||||||||
|   | ||||||||||
| 1000 | 1060 | 1200 | 447 | Tr 1060x8 | 571 | OH 30/1060 H | HM 30/1060 | MS 30/1000 | HMV 212 E | |
同類型型號
隨機推薦型號