簡介: SKF軸承LM503349/310/QCL7C 類型為圓錐滾子軸承, 單列, 英制軸承, 內徑為:46mm外徑為:75mm厚度為:18mm 軸承內圈,外圈更多詳細資料您可致電我司,獲取SKF LM503349/310/QCL7C軸承 配合安裝尺寸,基本尺寸,滾子粒數,LM503349/310/QCL7C價格,外形尺寸,錐度, 軸承的圖紙、樣品、價格或者替換產品等!咨詢電話:0512-62658883
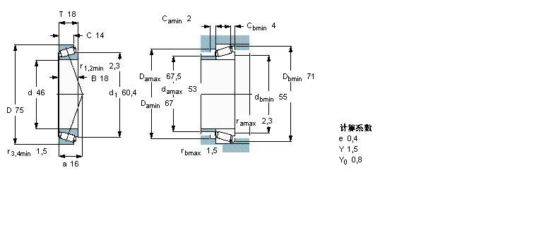
圓錐滾子軸承, 單列, 英制軸承LM503349/310/QCL7C軸承 樣本圖紙
| 圓錐滾子軸承, 單列, 英制軸承 | ||||||||||
| 公差 , 參見文字 | ||||||||||
| 推薦配合 | ||||||||||
| 軸和軸承座公差 | ||||||||||
|   | ||||||||||
| 主要數據尺寸 | 基本負荷額定值 | 疲勞負荷限值 | 額定速度 | 體積 | 型號 | |||||
| 動態 | 靜態 | 參照速度 | 限制速度 | |||||||
| d | D | T | C | C0 | Pu | |||||
|   | ||||||||||
| mm | kN | kN | r/min | kg | - | |||||
|   | ||||||||||
| 46 | 75 | 18 | 50,1 | 71 | 7,65 | 6300 | 9500 | 0,30 | LM 503349/310/QCL7C | |
同類型型號
隨機推薦型號