簡介: SKF軸承FBSA208A/QBC 類型為角接觸推力球軸承 for screw drives, cartridge units with flanged housing, 內徑為:40mm外徑為:128mm厚度為:106mm 軸承內圈,外圈更多詳細資料您可致電我司,獲取SKF FBSA208A/QBC軸承 代號,FBSA208A/QBC基本尺寸,安裝尺寸,基本額定載荷,精度等級,裝配, 軸承的圖紙、樣品、價格或者替換產品等!咨詢電話:0512-62658883
角接觸推力球軸承 for screw drives, cartridge units with flanged housingFBSA208A/QBC軸承 樣本圖紙
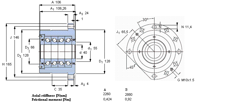
| 角接觸推力球軸承 for screw drives, cartridge units with flanged housing | |||||||||||
| 公差, inner rings, outer rings, see also text | |||||||||||
| Preload, see specific bearing, see also text | |||||||||||
| Shaft fits, housing fits | |||||||||||
| 軸和軸承座公差 | |||||||||||
|   | |||||||||||
| 主要數據尺寸 | 基本負荷額定值 | 疲勞負荷限值 | 可達到的速度 | 體積 | 型號 | ||||||
| 動態 | 靜態 | 預壓 | SKF | SNFA | |||||||
| A | B | ||||||||||
| d | D2 | A | C | C0 | Pu | ||||||
|   | |||||||||||
| mm | kN | kN | r/min | kg | - | ||||||
|   | |||||||||||
| 40 | 128 | 106 | 69,275 | 224 | 8,3 | 3150 | 1575 | 10 | FBSA 208 A/ QBC | BSQU 240/1 TDT | |
同類型型號
隨機推薦型號