簡介: SKF軸承BEAM025075-2RS/PE 類型為角接觸推力球軸承 for screw drives, double direction, for bolt mounting, 內徑為:25mm外徑為:75mm厚度為:28mm 軸承內圈,外圈更多詳細資料您可致電我司,獲取SKF BEAM025075-2RS/PE軸承 配合安裝尺寸,安裝尺寸,重量,額定動負荷,載荷,BEAM025075-2RS/PE極限轉速,游隙, 軸承的圖紙、樣品、價格或者替換產品等!咨詢電話:0512-62658883
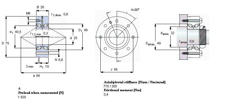
角接觸推力球軸承 for screw drives, double direction, for bolt mountingBEAM025075-2RS/PE軸承 樣本圖紙
| 角接觸推力球軸承 for screw drives, double direction, for bolt mounting | ||||||||||
| 公差, inner rings, outer rings, see also text | ||||||||||
| Preload, see specific bearing, see also text | ||||||||||
| Shaft fits, housing fits | ||||||||||
| 軸和軸承座公差 | ||||||||||
|   | ||||||||||
| 主要數據尺寸 | 基本負荷額定值 | 疲勞負荷限值 | Attainable speed | 體積 | 型號 | |||||
| 動態 | 靜態 | SKF | SNFA | |||||||
| d | D | H | C | C0 | Pu | |||||
|   | ||||||||||
| mm | kN | kN | r/min | kg | - | |||||
|   | ||||||||||
| 25 | 75 | 28 | 27,6 | 55 | 2,04 | 3400 | 0,72 | BEAM 025075-2RS/PE | BEAM 25/75/C SQP60 | |
同類型型號
隨機推薦型號