簡介: SKF軸承6307-2Z/VA208 類型為深溝球軸承, 用于高溫的深溝球軸承, 兩面防塵罩, 內徑為:35mm外徑為:80mm厚度為:21mm 軸承內圈,外圈更多詳細資料您可致電我司,獲取SKF 6307-2Z/VA208軸承 代號,6307-2Z/VA208基本尺寸,安裝尺寸,基本額定載荷,精度等級,裝配, 軸承的圖紙、樣品、價格或者替換產品等!咨詢電話:0512-62658883
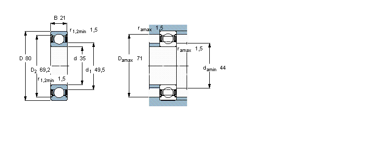
深溝球軸承, 用于高溫的深溝球軸承, 兩面防塵罩6307-2Z/VA208軸承 樣本圖紙
| 深溝球軸承, 用于高溫的深溝球軸承, 兩面防塵罩 | ||||||||
| 公差 , 參見文字 | ||||||||
| 徑向內部間隙, 參見文字 | ||||||||
| 推薦配合 | ||||||||
| 軸和軸承座公差 | ||||||||
|   | ||||||||
| 主要數據尺寸 | 基本負荷額定值 | 徑向內部游隙 | 體積 | 型號 | ||||
| 靜態 | ||||||||
| d | D | B | C0 | 最小 | 最大 | |||
|   | ||||||||
| mm | kN | μm | kg | - | ||||
|   | ||||||||
| 35 | 80 | 21 | 19 | 160 | 256 | 0,44 | 6307-2Z/VA208 | |
同類型型號
隨機推薦型號