簡介: SKF軸承6306-2Z/VA228 類型為深溝球軸承, 用于高溫的深溝球軸承, 兩面防塵罩, 內徑為:30mm外徑為:72mm厚度為:19mm 軸承內圈,外圈更多詳細資料您可致電我司,獲取SKF 6306-2Z/VA228軸承 配合安裝尺寸,安裝尺寸,重量,額定動負荷,載荷,6306-2Z/VA228極限轉速,游隙, 軸承的圖紙、樣品、價格或者替換產品等!咨詢電話:0512-62658883
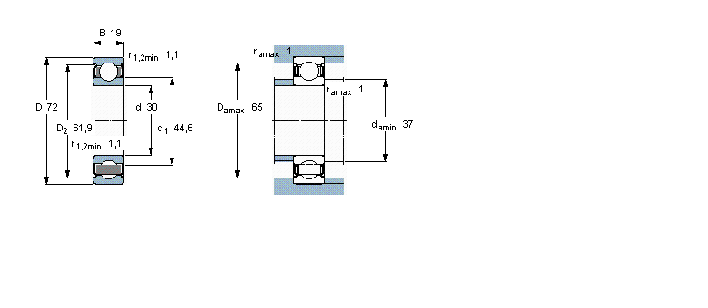
深溝球軸承, 用于高溫的深溝球軸承, 兩面防塵罩6306-2Z/VA228軸承 樣本圖紙
| 深溝球軸承, 用于高溫的深溝球軸承, 兩面防塵罩 | ||||||||
| 公差 , 參見文字 | ||||||||
| 徑向內部間隙, 參見文字 | ||||||||
| 推薦配合 | ||||||||
| 軸和軸承座公差 | ||||||||
|   | ||||||||
| 主要數據尺寸 | 基本負荷額定值 | 徑向內部游隙 | 體積 | 型號 | ||||
| 靜態 | ||||||||
| d | D | B | C0 | 最小 | 最大 | |||
|   | ||||||||
| mm | kN | μm | kg | - | ||||
|   | ||||||||
| 30 | 72 | 19 | 16 | 120 | 212 | 0,34 | 6306-2Z/VA228 | |
同類型型號
隨機推薦型號